Fuso Truck Wiring Diagram

45+ Fuso Truck Wiring Diagram Pictures. Fuso truck fuses box schema. Sibs fuso canter manual online:

1991 Mitsubishi Truck Repair Shop Manual Set Original
1991 Mitsubishi Truck Repair Shop Manual Set Original from cdn.faxonautoliterature.com
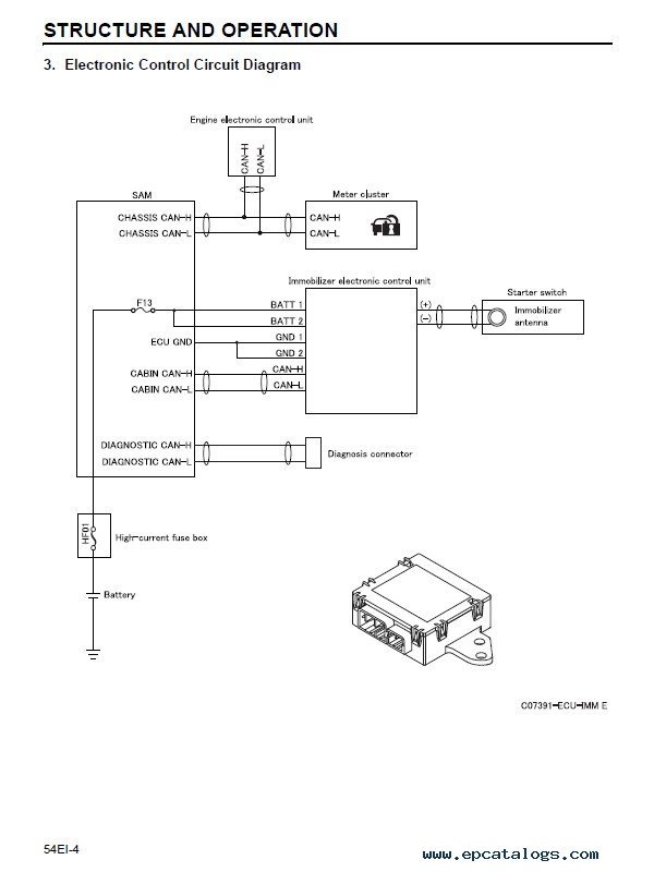
Fk617 fm617 fm657 engine type: Mitsubishi fuso trucks electronic spare parts catalogue. Rear 1.7 wiring variations between different specifications • variations in wiring/circuit between 1.11 harness connection • the arrow in the wiring diagram indicates where harnesses are connected, and not the flow of electricity.

B10 & b12 wiring diagram22/04/2019.

Fuso truck ecu wiring diagram. Detailed service and repair instructions; An electrical wiring diagram (also known as a circuit diagram or electronic schematic) is a pictorial representation of an. B10 & b12 wiring diagram22/04/2019.


Belum ada Komentar untuk "Fuso Truck Wiring Diagram"

Posting Komentar

Iklan Atas Artikel

Iklan Tengah Artikel 1

Iklan Tengah Artikel 2

Iklan Bawah Artikel