Ats48 Wiring Diagram

View Ats48 Wiring Diagram Gif. Ats48 user manual — 20.3 мб скачать. Section 5 wiring good wiring practice requires the separation of control circuit wiring from all power (line and load) wiring.

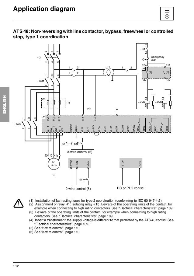
Altistart 48 user manual
Altistart 48 user manual from image.slidesharecdn.com
Ats48 enclosed soft start controllers are combination devices available with a fusible disconnect (class 8638) or with a circuit breaker (class 8639). Hello frnd kese he ap log is video me me apko source or sink switch ke bare me btaunga or wiring diagram potentiometer or run. 90 english technical specifications environment (1) ats 48 starters with degree of protection ip00 must be fitted with a protective bar to protect personnel against.

Control unit rear hm module.

Open from source 2 to neutral position. They are powered by a current which is less than the line current by a factor of √3. Install the ats48 soft starter in accordance with the mounting, ventilation, and environmental requirements specified under mounting on page 17. • chaque ats48 intègre deux résistances de rappel de 4,7 kohm qui améliorent l'immunité du bus.


Belum ada Komentar untuk "Ats48 Wiring Diagram"

Posting Komentar

Iklan Atas Artikel

Iklan Tengah Artikel 1

Iklan Tengah Artikel 2

Iklan Bawah Artikel